Peruzzo Side Trim Mowers
Trim Along Edges Of Fence Posts, Nursery Tree Lines, Orchard Tree Rows,
Vineyard Rows, Under Guard Rails, Or Under & Around Any Other Obstacles!

The Peruzzo Side Trim Mower Is a Sophisticated Attachment,
With Many Positioning Features & Grooming Options, All Complimented With Excellent Single Pass Performance,
Providing Efficiencies Necessary For Todays Trimming, Grooming & Maintenance Operations!

STANDARD FEATURES:

Customer Review:
"Thank you for the Perruzzo Side Trimmer, I used it today on 2 acres of blueberries and it worked well like I had hoped, well designed machine. Thanks also for the help in getting it here." ~ Satisfied Customer, NH
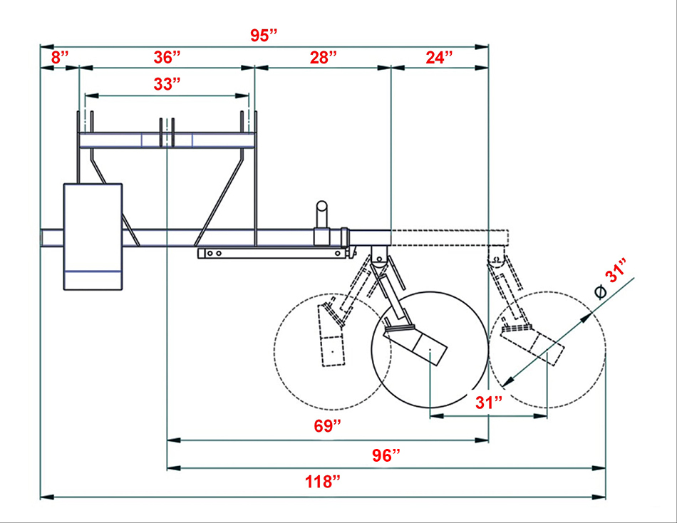
STSC-101 SELF CONTAINED MOWER ASSEMBLY SPECIFICATIONS
MODEL STSC-101 STH-101
Tractor 18-50 HP / CAT 1,
Adaptable to Cat 2
See Note 1
Cutting Width 31" Diameter
Cutting Head Overall Diameter 36" (See Note 2)
Cutting Capacity 2" Dia.
Min. Cutting Height 1-1/2" - 2"
Dimension From Top of Cutter Deck to Bottom of Pan Carrier 4"
Overall Vertical Dimension (Bottom of Blade Carrier to Top of Hyd Motor) of Mower Head 11"
Mower Head Speed 2400 RPM's
Outside Edge/Max Reach of Mower Head From Hitch Frame Center-Line, Fully Retracted 70" N/A
Right Side Hyd Telescoping Offset 24"
(Requires 1 Set Hyd. Outlets)
N/A
Max. Reach From Hitch Frame Center-Line, Extended 96" N/A
Hyd. Reservoir Capacity 9 Gallons N/A
Weight 575 lbs. (w/Reservoir Full) 175 lbs.
Note 1: STH-101 Mounting Bracket Intended for Attachment to Peruzzo Bull Flail Mowers.
Note 2: Foam Rubber Bumper Around the Head is 1-1/2" Dia. The Metal Channel the Rubber Bumper is Secured to is 3/4".
STSC-101 SELF CONTAINED MOWER ASSEMBLY SPECIFICATIONS
MODEL STSC-101 STH-101
Tractor 18-50 HP / CAT 1,
Adaptable to Cat 2
See Note 1
Cutting Width 31" Diameter
Cutting Head Overall Diameter 36" (See Note 2)
Cutting Capacity 2" Dia.
Min. Cutting Height 1-1/2" - 2"
Dimension From Top of Cutter Deck to Bottom of Pan Carrier 4"
Overall Vertical Dimension (Bottom of Blade Carrier to Top of Hyd Motor) of Mower Head 11"
Mower Head Speed 2400 RPM's
Outside Edge/Max Reach of Mower Head From Hitch Frame Center-Line, Fully Retracted 70" N/A
Right Side Hyd Telescoping Offset 24"
(Requires 1 Set Hyd. Outlets)
N/A
Max. Reach From Hitch Frame Center-Line, Extended 96" N/A
Hyd. Reservoir Capacity 9 Gallons N/A
Weight 575 lbs. (w/Reservoir Full) 175 lbs.
Note 1: STH-101 Mounting Bracket Intended for Attachment to Peruzzo Bull Flail Mowers.
Note 2: Foam Rubber Bumper Around the Head is 1-1/2" Dia. The Metal Channel the Rubber Bumper is Secured to is 3/4".
Specifications & Designs Are Subject to Change Without Notice